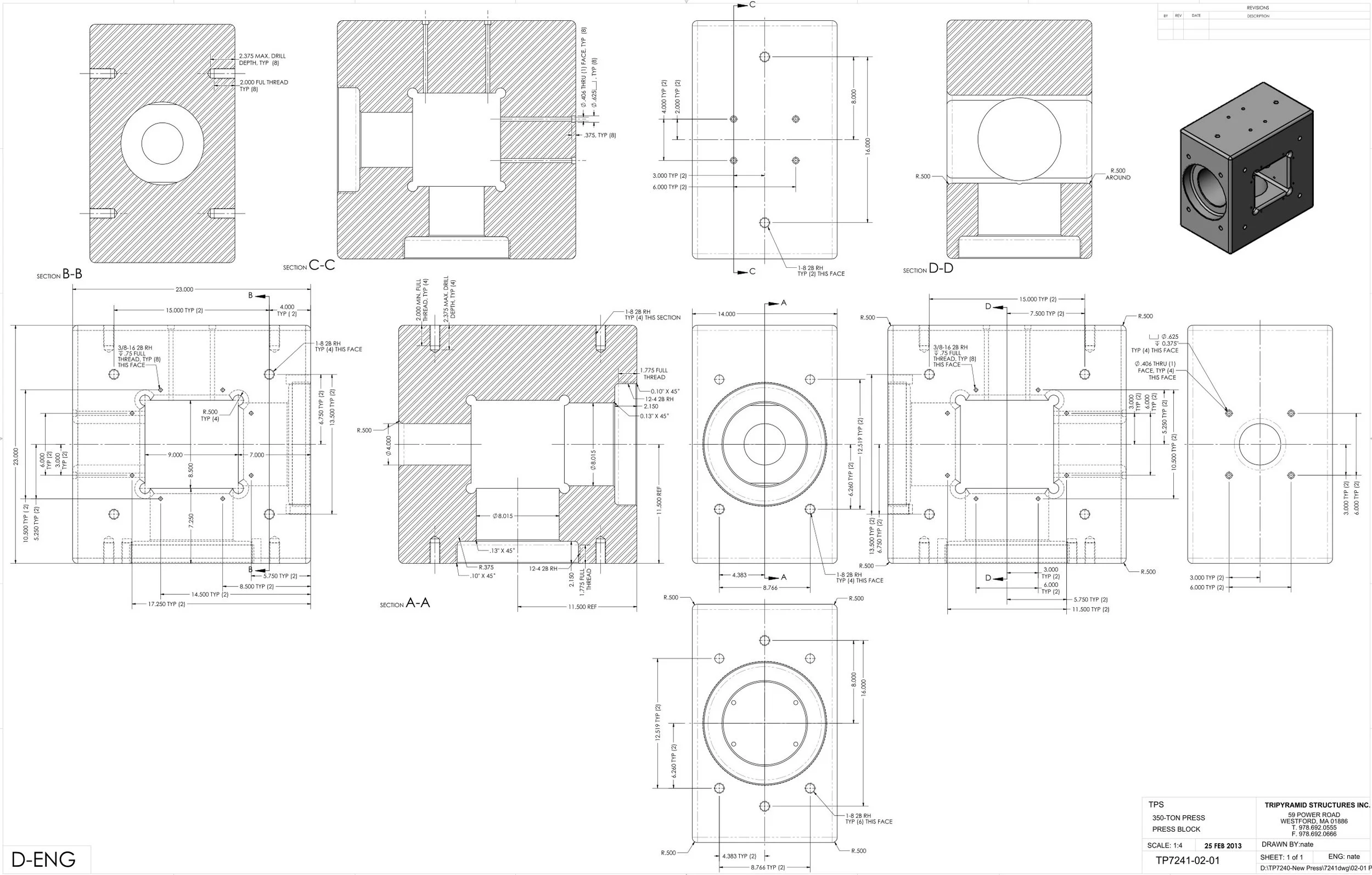
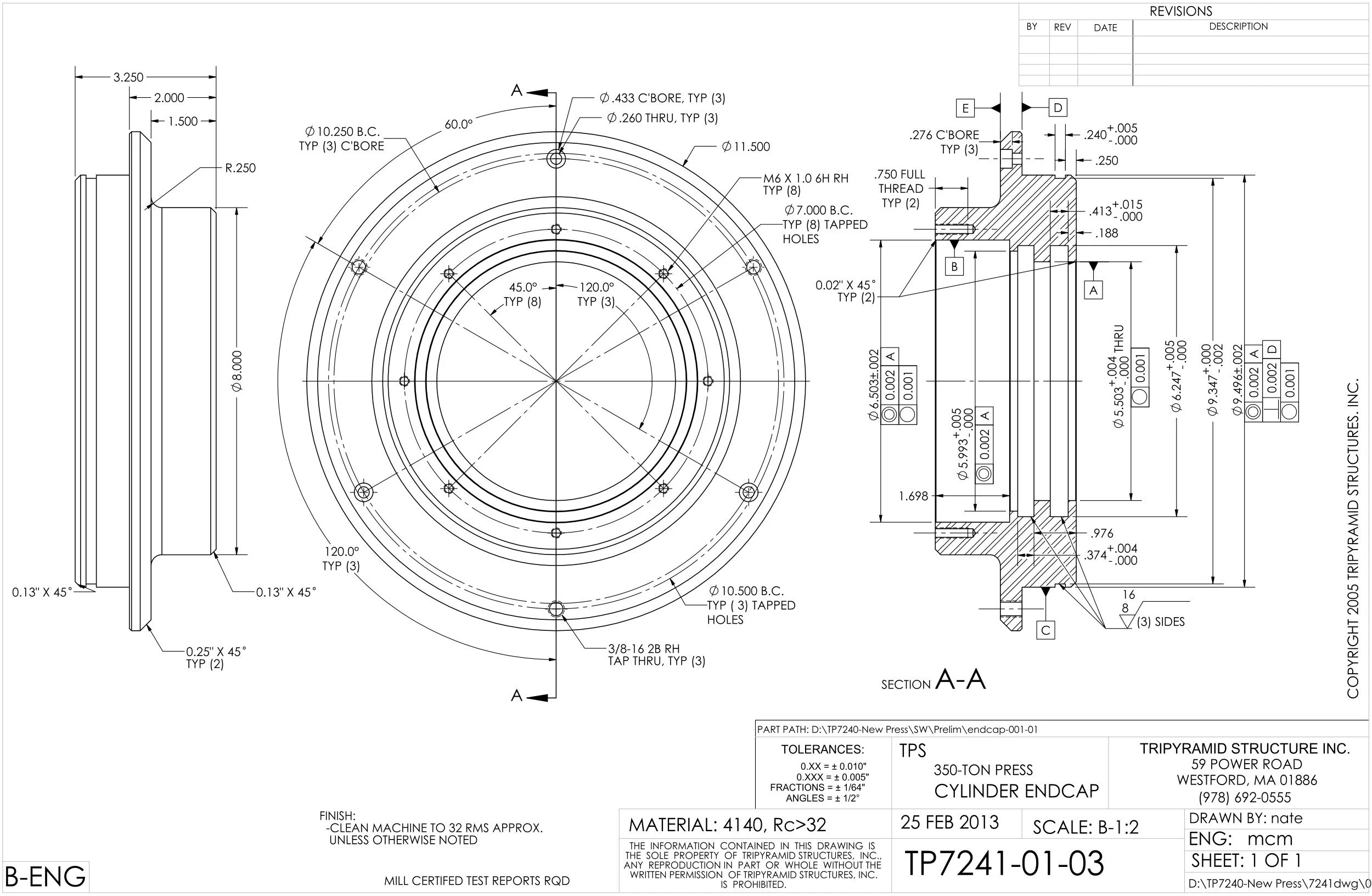
Upsetting Press
Design of a 10,000 psi working pressure, 350-ton hydraulic upsetting press used for production cold forming of stainless steel and Nitronic 50 rods.
Responsibilities included:
Design and engineering of press block, hydraulic cylinders, electronic controls and hydraulic system.
Full documentation of system for 3rd party design review
All manufacturing and assembly documentation
